
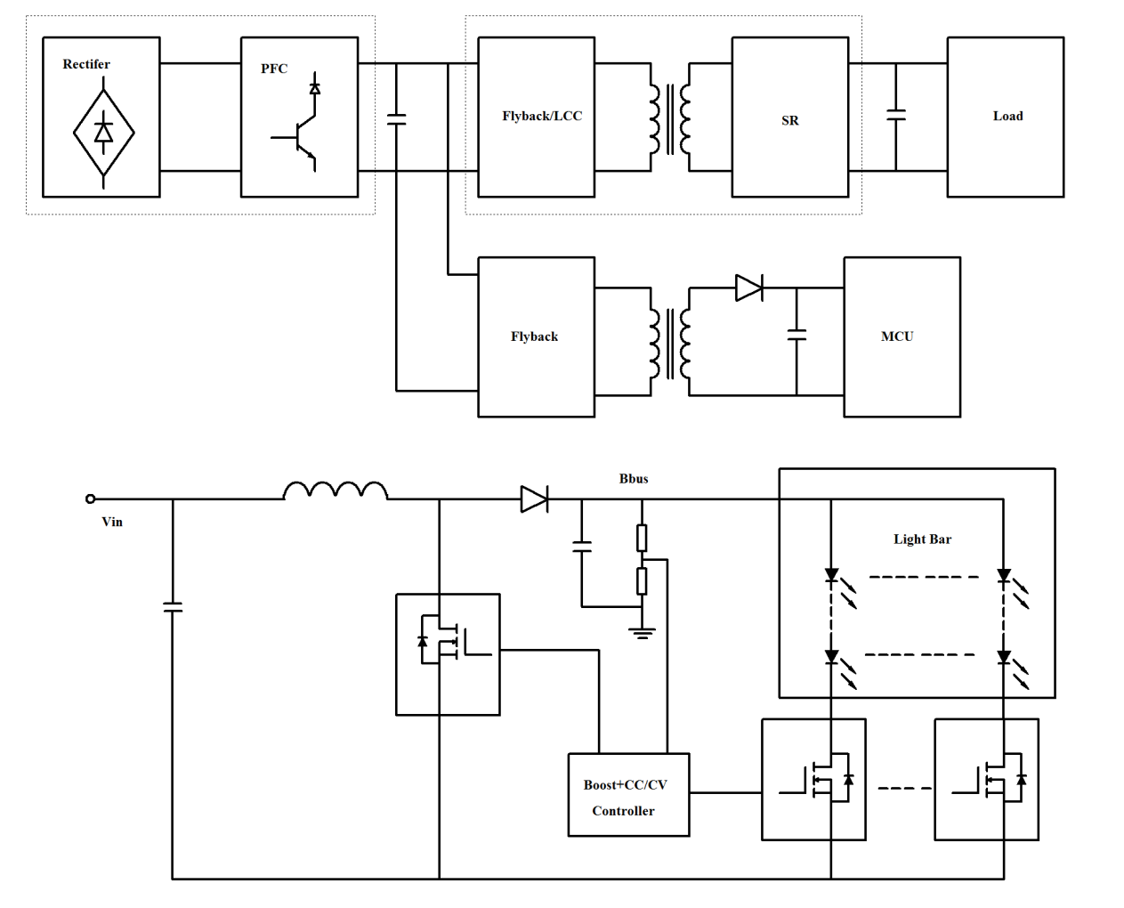
彩电液晶屏的背光照明系统由发光部件、导光板和背光电源构成。背光电源功率一般为100-500W,其作用就是将市电的交流电压转换成12V的直流电压输出,从而向显示器供电。一般拓扑结构会采用PFC、LLC、SR、Falyback、BOOST+CC/CV拓扑等。江苏开云官方站页面网站登录入口-开云(中国)能提供不同表面贴装的高压和低压MOSFET,满足整机的轻便、能效高的需求。


PFC/Flyback
N-channel SJ MOSFET :VDS 650V/700V RDS(on)max﹤700mΩ
LLC
N-channel SJ MOSFET :VDS 650V/700V RDS(on)max﹤400mΩ
Boost
N-channel SGT MOSFET :VDS30V RDS(on) max<7mΩ
SR
N-channel SGT MOSFET :VDS 40V~100V RDS(on)max<10mΩ